Last updated: 2 ม.ค. 2568 | 976 จำนวนผู้เข้าชม |
เซนเซอร์สำหรับงานตรวจเช็คระดับเมล็ดพลาสติก ธัญพืช อาหารสัตว์ในถังฮอปเปอร์หรือไซโล
บทความนี้เราจะมากล่าวถึงเซนเซอร์สำหรับงานตรวจเช็คระดับสำหรับเมล็ดพลาสติก เมล็ดธัญพืช อาหารสัตว์และอื่นๆ ซึ่งเราจะมาแลกเปลี่ยนกันในเรื่องของการนำไปประยุกต์ใช้งานจริง ว่าจะมีเซนเซอร์ใดที่จะตอบโจทย์การนำไปใช้งานแอพพลิเคชั่นเช่นนี้บ้าง
ซึ่งประเภทเซนเซอร์ที่เราจะนำมาใช้งานนั่นก็คือ คาปาซิทีพเซนเซอร์ (Capacitive sensor) ซึ่งเป็นหนึ่งในเซนเซอร์ที่ใช้ในงานตรวจจับวัตถุต่างๆ ตรวจเช็ควัตถุที่ต้องการว่ามีหรือไม่มีเพื่อนำสัญญาณเอาต์พุตไปต่อร่วมกับคอนโทรลเลอร์ต่างๆ ในการสร้างเงื่อนไขควบคุมสั่งงานไลน์ผลิตหรือเครื่องจักรอัตโนมัติ ในส่วนของหลักการนั้นในบทความนี้อาจจะไม่ได้กล่าวถึงมากนักเนื่องจากว่า คาปาซิทีพเซนเซอร์ (Capacitive sensor) นั้นเป็นพื้นฐานเซนเซอร์ที่มีข้อมูลที่หาอ่านได้ง่ายจากหลายแหล่ง

กลุ่ม Capacitive sensor จากแบรนด์ Leuze
โดย Capacitive Sensor นั้นสรุปสั้นๆ คือตัวเซนเซอร์เซอร์จะอาศัยการสร้างสนามไฟฟ้าขึ้นที่หน้าสัมผัสและการเปลี่ยนแปลงของไดอิเล็กทริกเมื่อมีวัตถุผ่านหน้าเซนเซอร์จะทำให้ค่าประจุไฟฟ้าในวงจรออสซิเลตเกิดการเปลี่ยนแปลงจนถึงจุดหนึ่งจึงทำให้วงจรทริกเกอร์สั่งงานเอาท์พุต ซึ่งด้วยคุณสมบัตินี้จะทำให้ Capacitive Sensor นั้นสามารถตรวจจับได้ทั้งวัตถุที่วัสดุทำจากโลหะและอโลหะนั่นเอง!!!
จากหลักการและคุณสมบัติข้างต้นที่กล่าวมานั้นทำให้ Capacitive sensors นั้นถูกนำไปประยุกต์ใช้อย่างแพร่หลายในเครื่องจักร ไลน์ผลิตอัตโนมัติต่างๆ อาทิเช่น ตรวจจับตำแหน่งการทำงานของอุปกรณ์เครื่องจักร ตรวจจับแผ่นฟิล์ม แผ่นกระดาษ แผ่นไม้ ฉลากสินค้าที่เลื่อนมายังตำแหน่งพร้อมสั่งงาน และงานที่นิยมคือตรวจเช็คระดับ Raw material ต่างๆ เช่นเมล็ดพลาสติก อาหารสัตว์ เมล็ดกาแฟ เมล็ดข้าวในถังไซโล ถังฮอปเปอร์ต่างๆ ซึ่งบางรุ่นสามารถตรวจจับตัวกลางผ่านช่อง sight glass โดยที่ไม่ต้องสัมผัสตัวกลางได้ด้วย ซึ่งโดยปกติเซนเซอร์ Capacitive sensors ส่วนใหญ่ที่ใช้สำหรับงานตรวจเช็คระดับนั้นจะมี Adjust Knob ที่ตัวเพื่อปรับค่าให้ตรวจเช็คเฉพาะตัวกลางที่ต้องการได้อย่างแม่นยำ

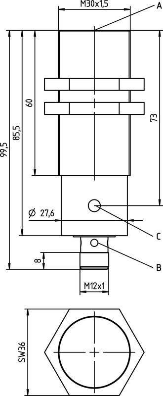
ภาพแสดง Adjust knob ที่ตำแหน่ง C ของ Capacitive sensor แบรนด์ Leuze
หลังจากที่เราได้รู้หลักการของเซนเซอร์ตามที่เกริ่นมาข้างต้นแล้วสิ่งที่ผู้ใช้งานควรรู้คือ ขนาดของเซนเซอร์ซึ่งตามมาตรฐานที่นิยมใช้งานกันทั่วไปจะมีขนาดตั้งแต่ M8 / M12 / M30 การเลือกใช้ก็ขึ้นอยู่กับลักษณะงานที่เรานำไปตรวจจับและพื้นที่ติดตั้งก็ควรเลือกให้เหมาะสม และเซนเซอร์จะมีรูปแบบลักษณะการติดตั้งตรวจจับสองชนิดคือแบบ Flush ที่รัศมีทำการตรวจจับจะแผ่ออกเฉพาะด้านหน้า และแบบที่สองที่ Non-Flush ซึ่งจะแผ่รัศมีตรวจจับทั้งด้านหน้าและด้านข้างของหัว Sensing ด้วย ต้องเลือกให้ถูกตามการใช้งานกันด้วยนะ ไม่งั้นไปติดตั้งผิดอาจจะตรวจจับผิดพลาดส่งผลให้ระบบควบคุมทำงานผิดพลาดได้

ลักษณะรูปแบบการติดตั้งและการตรวจจับ Capacitive sensor แบบ Flush และ Non-Flush
Capacitive Sensor ที่ทางบริษัท อีเอสโอ เทค จำกัด มีจำหน่ายนั้นก็จะมีรุ่นยอดนิยมหลักๆ ดังนี้
LCS-2M30P-F20PNO-M12 Capacitive Sensor จากแบรนด์ Leuze ผู้ผลิตเซนเซอร์สำหรับอุตสาหกรรมที่มีชื่อเสียงมาอย่างยาวนานจากประเทศเยอรมันนี จะเป็นขนาด M30 มี Adjust Knob ปรับตั้งค่าการตรวจจับตัวกลางที่ต้องการ ซึ่งจะมีให้เลือกทั้งแบบ Output signal แบบ NPN หรือ PNP ระยะตรวจจับที่ 2..20mm

Capacitive Sensor รุ่น LCS-2M30P-F20PNO-M12 จากแบรนด์ Leuze
CR30 Series Capacitive Sensor จากแบรนด์ Lanbao ผู้ผลิตเซนเซอร์สำหรับอุตสาหกรรมจากประเทศจีน จะเป็นขนาด M30 มี Adjust Knob ปรับตั้งค่าเช่นกัน ซึ่งจะมีให้เลือกทั้งแบบ Output signal แบบ NPN หรือ PNP ระยะตรวจจับที่ 3..15mm

Capacitive Sensor รุ่น CR30 Series จากแบรนด์ Lanbao

การนำไปใช้งาน CR30 Series Capacitive sensor Lanbao
CKN30 Series Capacitive Sensor จากแบรนด์ Akusense ผู้ผลิตเซนเซอร์สำหรับอุตสาหกรรมจากประเทศจีน จะเป็นขนาด M30 มี Adjust Knob ปรับตั้งค่าเช่นกัน ซึ่งจะมีให้เลือกทั้งแบบ Output signal แบบ NPN หรือ PNP ระยะตรวจจับที่ 2..20mm

Capacitive Sensor รุ่น CKN30 Series จากแบรนด์ Akusense

การนำไปใช้งาน CKN Series Capacitive sensor Akusense
ทีนี้เรามาดูงานจริงกันบ้างว่าเวลาเรานำไปใช้งานจริงแล้วจะเป็นอย่างไร ทีมงานบริษัท อีเอสโอ เทค จำกัด ได้รับการติดต่อจากลูกค้าโรงงานผลิตบรรจุภัณฑ์จากพลาสติกแห่งหนึ่ง ในจังหวัดชลบุรี ซึ่งมีเครื่องฉีดพลาสติกอยู่ค่อนข้างเยอะ ทางลูกค้าเองต้องการปรับปรุงติดตั้งเซนเซอร์ตรวจเช็คระดับเมล็ดพลาสติกในฮอปเปอร์เพื่อทำการแก้ไขปรับปรุงให้เครื่องทำงานอัตโนมัติโดยลดขั้นตอนการทำงานและจำนวนผู้ปฏิบัติงานลง
ทางเราจึงได้เลือก LCS-2 Series Capacitive sensor สำหรับงานตรวจจับเม็ดพลาสติกในฮอปเปอร์ผ่านช่อง Sight glass ของเครื่องฉีดพลาสติกโดยไม่ต้องสัมผัสกับตัวกลาง ซึ่งการติดตั้งรูปแบบนี้ก็เป็นหนึ่งในรูปแบบวิธีที่ง่ายที่สุด ไม่ต้องปรับปรุงและแก้ไขหรือติดตั้งยุ่งยากนัก

โดยงานนี้ใช้เซนเซอร์คาปาซิทีพ LCS-2 Series จากแบรนด์ Leuze ผู้ผลิตเซนเซอร์จากประเทศเยอรมัน ซึ่งเป็นงานที่มีการปรับปรุงไลน์ผลิตเพิ่มเติมเพื่อต้องการตรวจวัดปริมาณระดับเม็ดพลาสติกในการส่งสัญญาณและควบคุมกระบวนการของเครื่องจักรที่นำมาต่อร่วมกันและแสดงสถานะเมื่อวัดถุดิบหมด อีกทั้งตัวเซนเซอร์เองยังสามารถปรับตั้งค่าได้ที่ตัวเซนเซอร์เพื่อการตรวจเช็คที่แม่นยำตามลักษณะของงานและการติดตั้ง

Capacitive Sensor LCS-2M30P-F20PNO-M12 แบรนด์ Leuze

ภาพการติดตั้งใช้งานจริง Capacitive Sensor LCS-2 Series แบรนด์ Leuze
นี่ก็เป็นหนึ่งตัวอย่างการใช้งานของ Capacitive sensor ที่จะมาช่วยแก้ปัญหาในกระบวนการผลิตหรือเครื่องจักร เป็นการนำเซนเซอร์มาประยุกต์ใช้งานให้เกิดประโยชน์สูงสุด
หากท่านสนใจผลิตภัณฑ์และเซนเซอร์ Leuze ท่านสามารถติดต่อเราได้ที่
บริษัท อีเอสโอ เทค จำกัด ตัวแทนจำหน่ายเซนเซอร์ Leuze เรายินดีให้คำปรึกษาพร้อมให้คำแนะนำและการเลือกใช้งานเซนเซอร์อย่างเหมาะสมเพื่อทำให้ระบบอัตโนมัติและกระบวนการผลิตของท่านมีประสิทธิภาพทั้งในแง่ของการควบคุมการผลิตและลดต้นทุน
ท่านสามารถดูข้อมูลเซนเซอร์สำหรับอุตสาหกรรมเพิ่มเติมได้ที่
https://www.eso.co.th/industrialsensor
บริษัท อีเอสโอ เทค จำกัด
Line Official Account : @eso.co.th
Email : info@eso.co.th
Facebook : facebook.com/eso.co.th
Telephone : 097-253-2728 , 097-275-2279
Instagram : https://www.instagram.com/eso.co.th/
5 ก.ค. 2568